Tailstock & Slave Table

Tailstocks and Slave Tables play a vital role in enhancing machining stability and flexibility. A tailstock provides firm support for long or heavy workpieces, reducing deflection and ensuring higher accuracy during turning or milling operations. A slave table, on the other hand, extends the working area and allows for handling larger components or multi-part setups efficiently. Together, they improve rigidity, expand machining capability, and enable precise, high-quality results for demanding applications.

Quality Certification: ISO 9001:2015 Certified

Nexco Products

Product Details

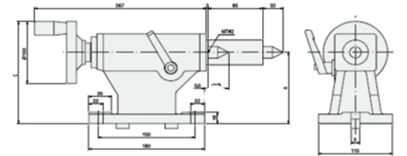
Manual Tailstock
Model A B C Centre Taper Suitable Rotary Table
TSA-160 160 18 210 MT#3 CNC200R
TSA-185 185 18 250 MT#3 CNC250R
Pneumatic / Hydraulic Tailstock
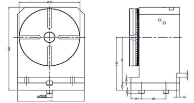
Slave Table
Model Table Diameter Through hole dia. Centre Height Suitable Rotary Table
SLT200 Ø200 Ø35H7 160 CNC200R
SLT250 Ø200 Ø35H7 185 CNC250R

NEXT PRODUCT

Automatic Tool Changers

Nexco Products